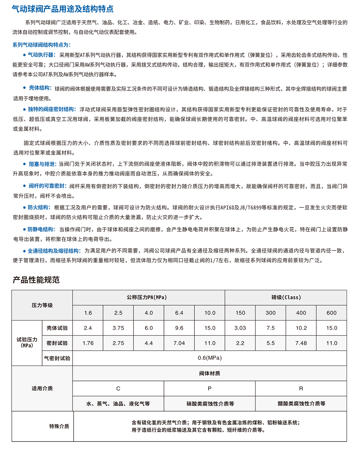
=ksG/bVZ̖˒exvJ\5Fۉy`dqTOIh$c;[<>}uTZfzvu&*ϞVG`c*_ĉ=(eW?<.])3kӸ~4\Aߎ|L@ vUte~}^?/^]޿橝ִ|P:Vw'ld>#(AiR>x[v!]PR7kA8x8.Ky9j ʢ M5UHݡp*Rr1[u~zqwd-#?gNUy}|_ieN4VZ~=W~0i<Wy *oǍՇƭT{ꤾ2XZ'uiFM ;4<DzS/?Cetec^}Q} ]y|2]iyE?3/7ξ2gJon3sy`trjF#':2nӇx6~^` mMZWo诗J˗޿GH:;.@%#RbGY;7ύ+{g+󊢩Z˗o6.nj;J R;@|F46ZPUڮʹ< P)Pጤ%IdVR0U:;,äzд%3Z< T .6Yyp8#R(bCfᚵU{"+>P=7_]%cq99i?A)P&s$8&jaqٟ|1JMYˉ_%5D)R  J-摤E K) r^(s_YRk 9Ee4hJ~H-xLpor/4Y2wqqJp@K'`IeHʚ)R`V kNYtT ^+,A*㺇} ^ŭ&ԍQp` (&9|FD3ahE%6"Dd$,D^ g# ))H@?! 4$DV"J ɸbV{RξiJ ;ִ\kPzQlHBH b|"!E8! -'@.ҒܟƏr.ܟCtO_Oo.ΔHR;izpp0tL`|HP @ P, `+#E}h. Lq|}Q9Ʈ:Xf~E~iR_Eх 4` [ / eU۔}\B(J,(yQ!<5rT`%Ր9=z )< ad.@ PAJC0E &e@F1ߊH /)&L8X0`8#7sŷX+׷v8Sn@dul ; TT~RYa`wE0y{e".#D%;.{s4caҁɪ>e,?"Gr6|k0mxu^\t;kvT7YSeb`׶!oό @[m&ofpXAgHf;Kw7A31X̙{#&,~KpvOoz<S3XGጛ[;o;I ;9Kϑ7;Kuaq!],Dda;f\f 탰 1 ^O6";(O;W`s6?m.X)Gqf`w9}`Že`G!}#A20LmX0O緽D0`omOWmncĕĎ-{ձK4|g>8قl!GL-[Z}]`ALUqlN1<;7?I '󾜡#Ԅyvr+.`7dzD j!pf|9ZiүC>fp0qݿW0mgXDxyS fԳ[Y~8^)jv7-r;> AAɭ^tLQb2jƱ2Di.HqQX륵mŝvM?vsnkD5pM<u^uP [n>Kܰ<,]QLd<q7"Gr>M1LbR*&<'%éd*a!ɈQM5 QESvwܛtrby.mn0D(Qk>YO=~yuvl3CI s\>F[E'U_P-s ZPe9;"q]pI[M 1 Dh2xyFYNzl xՊEsC\/а\4 L+TyD҉~;GbdFLYZnv5Vr$Xئ$5#eB*N*_@AY+BA‘ NE`7W1/ S3d^9[Q鳈YG.7p:fշ B} bR / Y-l-{E]Z,/ nx GЏcʤ[(YǙ8R.\Yj^Q1:3"k6}X\_FJMAo 5 6#*BdA`:&9"A&GSlKD&|BdI4ocS!dgV8+cq_>*)9lY3R @wܫ-v=1e"mS& İ< \Np0uqc.~ `^N`;N{Gz(+Pn8n:m<4u"MEFr /&Ⴣ_}E >ɆC{0^C~# )tEL<-ybP{ X_[t2q޸sxr$,fʜqMyin(hyCSIȆ/\0./^όK-G ʩ^?/?_?קOwW/Q$Q+Ko"[8$':46iPEbYuCl, Ґ$!{::o^E|<9O p }?Ozɧp_{{ D̖qw\ЀTPvy<7SpQo5VdJ5b~Z/?t=B=b"+A[B~h(ӂ-ݐdҿߚ/%7(~6ׂۏ> 2[tXVUfw-Srfk؜dPմ۵4Zps koYu ]fnes6(5w H,%JLJRi1<+ŅJDz %٤əx!!SG2K){jgAWJ9Vt| 8&}%6e!<4U P<83FXg1+8oZqЇPފ9E`SZ}r1O?kAiE(V<ixfB' G%u܌֌yH2`Ai.T?6A++ L@ʃ%샲UqWH[\.|SYx?h(4W [g$hhu11604S`Z?3-FɛH_M',s3@bɜ,CZPclu^1sn)~ =A4WlSUHCULԺhM~5OD^utKjoe`bxbܩ$8<㷑lH$ |yNK+ ='!˸hLA6t0Q콑e=ͦ 漪ܽLz:#9`PGQ(Gp8^U2EMKaB'ƺ>@Ҭa9kR e07{ dD's]D%h_JN]k9Q8w,剳S$o@~%?{W@#Js1N幋n5Q>C2}Q]βW,ܖ[E3X8ӯ KwuIHBTiƹ"> ENt6Hʡ 8GwWd 3%)/d]7؋sM6k@~~ɭ<X?Z@}&*BBAmb{i4 ELʐqI}Ԧe*kv%۴ś{B)H}0K$HT 26%]wb^[ :P#"EQaÀ56tbNS  I]t&s#NO0q@MFF/ܻˋ*B!k`B & T pҠ (2Óډ ;8DTD/E"1%VuB; R7|?uS%sC m Hc+m&ɌDڿdC,bA;]]?mK# Cgc %!} xVj.9f' ꤜjkjf!N> Gni0u$#r/{ѵ8eq33>pЗ^ νojexrnL#E|[錣=1.=ge|-"<ܜXL;w~^;[]X:P^ڄ tB]I A ն;z2YآnK@Hr  ڐu_8A7z_l